
本產品采用多層次球體結構,吸振能力強,減振降噪效果好;能承受較高的工作壓力,抗爆力大,彈性足;對壓縮、拉伸、扭轉變形能較好的起到位移補償作用。產品主體采用極性橡膠,能較好地耐熱、耐油、耐腐、耐酸、耐老化。 本產品廣泛應用于各類建筑、廠礦、化工、石油等行業的水暖通風管道,給水排水和循環水管道、冷凍管道、華工防腐管道、消防、壓縮機管道。以及實驗室、研究所、船舶、艦艇等設施上,用來防護和治理系統管道工程隔振降噪,位移補償。

| 型號/規格 | KXT-I | KXT-II | KXT-III |
| 工作壓力Mpa(kg.f/c㎡) | 1.6(16) | 1.0(10) | 2.5(25) |
| 爆破壓力Mpa(kg.f/c㎡) | 4.8(48) | 3.0(30) | 7.5(75) |
| 真空度Kpa(mmHg) | 650 | 650 | 750 |
| 適用溫度℃ | -20~80℃(普通型) +80~135℃(耐高溫型) | ||
| 適用介質 | 空氣、壓縮空氣、水、海水、熱水、弱酸、油、堿等 | ||
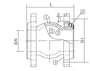
| 接頭兩端可任意偏轉,便于自由調節軸向或橫向位移 | |||
| 公稱通徑 DN | 長度 L (mm) | 螺栓數 n | 螺栓孔直徑 do(mm) | 螺栓孔中心圓直徑 D1(mm) | 軸向位移 (mm) | 橫向位移 (mm) | 偏轉角度 | ||||
| ? | |||||||||||
| (mm) | (in) | 伸長 | 壓縮 | ||||||||
| 32 | 1(1/4) | 95 | 4 | 17.5 | 100 | 6 | 9 | 9 | 15° | ||
| 40 | 1(1/2) | 95 | 4 | 17.5 | 110 | 6 | 10 | 9 | 15° | ||
| 50 | 2 | 105 | 4 | 17.5 | 125 | 7 | 10 | 10 | 15° | ||
| 65 | 2(1/2) | 115 | 4 | 17.5 | 145 | 7 | 13 | 12 | 15° | ||
| 80 | 3 | 135 | 8 | 17.5 | 160 | 8 | 15 | 12 | 15° | ||
| 100 | 4 | 150 | 8 | 17.5 | 180 | 10 | 19 | 13 | 15° | ||
| 125 | 5 | 165 | 8 | 17.5 | 210 | 12 | 19 | 13 | 15° | ||
| 150 | 6 | 180 | 8 | 22 | 240 | 12 | 20 | 14 | 15° | ||
| 200 | 8 | 190 | 8 | 22 | 295 | 16 | 25 | 22 | 15° | ||
| 250 | 10 | 230 | 12 | 22 | 350 | 16 | 25 | 22 | 15° | ||
| 300 | 12 | 245 | 12 | 22 | 400 | 16 | 25 | 22 | 15° | ||
| 350 | 14 | 255 | 16 | 22 | 460 | 16 | 25 | 22 | 15° | ||
| 400 | 16 | 255 | 16 | 26 | 515 | 16 | 25 | 22 | 15° | ||
| 450 | 18 | 255 | 20 | 26 | 565 | 16 | 25 | 22 | 15° | ||
| 500 | 20 | 260 | 20 | 26 | 620 | 16 | 25 | 22 | 15° | ||
| 600 | 24 | 260 | 20 | 30 | 725 | 16 | 25 | 22 | 15° | ||
| 700 | 28 | 260 | 24 | 26 | 810 | 16 | 25 | 22 | 15° | ||
| 800 | 32 | 260 | 24 | 30 | 920 | 16 | 25 | 22 | 15° | ||
| 900 | 36 | 260 | 24 | 30 | 1020 | 16 | 25 | 22 | 15° | ||
| 1000 | 40 | 260 | 28 | 30 | 1120 | 16 | 25 | 22 | 15° | ||



